Difference between revisions of "ARM ADC Programming"
m |
|||
| Line 96: | Line 96: | ||
=Schematic= | =Schematic= | ||
| + | |||
| + | [[File:Schematic LPC1768 ADC.svg|x200pxcenter|Schematic]] | ||
| + | |||
=Code= | =Code= | ||
<syntaxhighlight> | <syntaxhighlight> | ||
Revision as of 12:48, 20 March 2015
Amruta (talk) 13:28, 17 March 2015 (IST)
Contents
Basics
LPC1768 has 12 bit ADC which is multiplexed among 8 input pins. It's measurement range is typically 3V which means that ADC resolution is approximately 0.7 mV.
Registers
Here we will discuss commonly used ADC registers.
ADCR ( ADC Control Register )
| ADCR | ||||||||
|---|---|---|---|---|---|---|---|---|
| 31:28 | 27 | 26:24 | 23:22 | 21 | 20:17 | 16 | 15:8 | 7:0 |
| Reserved | EDGE | START | Reserved | PDN | Reserved | BURST | CLCKDIV | SEL |
Bit 7:0 – SEL : Channel Select
These bits select which of the AD0.7:0 pins is (are) to be sampled and converted. There is one bit per channel e. g. bit o for AD0, bit 7 AD7.
Write one to enable respective channel. All zeroes is equivalent to 0x01.
Bit 15:8 – CLCKDIV : Clock Divisor
The APB clock (PCLK_ADC0) is divided by (this value plus one) to produce the clock for the A/D converter, which should be less than or equal to 13 MHz.
Bit 16 – BURST
Repeated conversions can be terminated by clearing this bit.
Bit 21 – PDN : Power Down Mode
Setting this bit brings ADC out of power down mode and makes it operational.
Bit 24:26 – START
When the BURST bit is 0, these bits control whether and when an A/D conversion is started:
| Bit Value | FIFO Status |
|---|---|
| 000 | No Start |
| 001 | Start Conversion Now |
The remaining cases (010 to 111) are about starting conversion on occurrence of edge on a particular CAP or MAT pin.
Bit 27 - EDGE
This bit is significant only when the START field contains 010-111. It starts conversion on selected CAP or MAT input.
| Bit Value | Start Conversion |
|---|---|
| 0 | On Falling Edge |
| 1 | On Rising Edge |
ADGDR ( ADC Global Data Register )
| ADCR | ||||||||
|---|---|---|---|---|---|---|---|---|
| 31 | 27 | 26:24 | 23:16 | 15:4 | 3:0 | |||
| DONE | OVERRUN | CHN | Reserved | RESULT | Reserved | |||
Bit 15:4 - RESULT
When DONE is 1, this field contains a digital value equivalent to the voltage on the AD0[n] pin selected by the SEL field in ADCR register.
Bit 23:16 - CHN : Channel
These bits contain the channel from which the RESULT bits were converted (e.g. 000 identifies channel 0, 011 channel 3...).
Bit 27 - OVERRUN
This bit is 1 in burst mode if the results of one or more conversions was (were) lost and overwritten before the conversion that produced the result in the RESULT bits.
Bit 31 - DONE
This bit is set to 1 when an A/D conversion completes. It is cleared when this register is read and when the ADCR is written. If the ADCR is written while a conversion is still in progress, this bit is set and a new conversion is started.
Some other registers
Though there are some more registers, we are restricting ourselves to use these registers only as this will be more convenient.
Apart from ADC Global Data register there are more 8 ADC Data registers (one Data register per ADC channel). DONE and OVERRUN bits for each channel can be monitored separately from the bits present in ADC Status register.
One can use the A/D Global Data Register to read all data from the ADC else use the A/D Channel Data Registers. It is important to use one method consistently because the DONE and OVERRUN flags can otherwise get out of synch between the AD0GDR and the A/D Channel Data Registers, potentially causing erroneous interrupts or DMA activity.
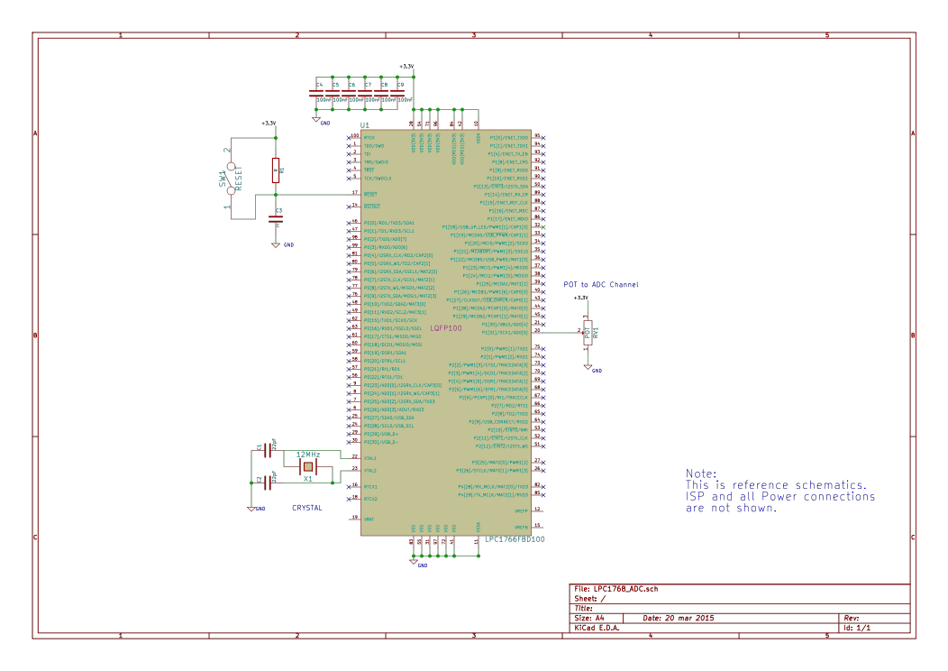
Schematic
Code
/*----------------------------------------------------------------------------- note : Refer adc.h to enable ADC channels. ------------------------------------------------------------------------------*/ #include "lpc17xx.h" //device specific heaader file #include "uart.h" //Explore Embedded UART library which conatins the lcd routines #include "adc.h" //Explore Embedded ADC library which conatins the adc routines /* start the main program */ int main() { uint16_t adc_result; /* Setup and initialize the microcontroller system */ SystemInit(); /* Initialize the UART before displaying any thing on the lcd */ UART_Init(UART0,9600); /* Initialize the adc before starting the conversion */ ADC_Init(); /* Display "ADC Channel zero" on first line*/ UART_Printf("ADC Channel five"); /* Display the adc channel zero value continously */ while(1) { /*Get the adc value of channel five */ adc_result= ADC_GetAdcValue(5); /*Display the adc value on UART*/ UART_Printf("\n %u",adc_result); } }
